行为
功能 #2964
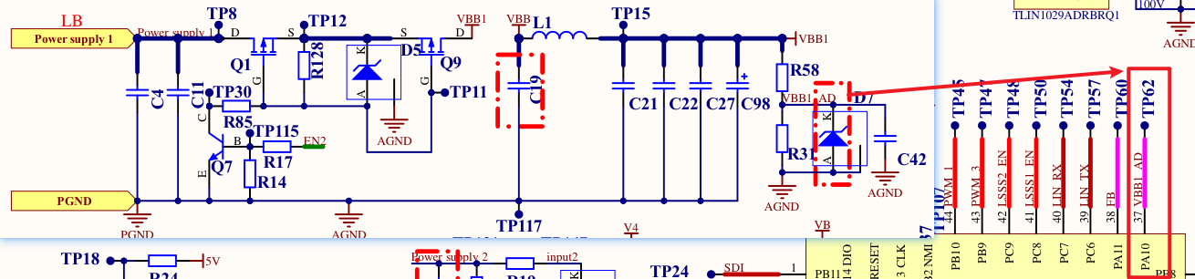
打开Ford_SWER_0087_0045: PV 电源电压与输出电流(客户11月20日有更新,暂未解析)
开始日期:
2024-10-31
计划完成日期:
2025-03-03 (大约 10 个月 延期)
% 完成:
88%
预期时间:
(合计: 0.00 小时)
描述

2024/11/5: Ford现场确认,软件仅需满足8V启动,6~9V按上图有降功率功能,9V以上无降额



文件
相关的问题
行为
88%
描述

2024/11/5: Ford现场确认,软件仅需满足8V启动,6~9V按上图有降功率功能,9V以上无降额



文件
相关的问题