项目

一般

简介

行为

功能 #2787

已关闭

功能 #2519: Ford_SYSR: System Requirement

功能 #2537: Ford_SYSR:FS_REQ0017_V2 LB Activation

Ford_SWER_0017_0001:LB Activation conditions

玉洁 金超过一年 之前添加. 更新于 超过一年 之前.

状态:
已关闭
优先级:
紧急
指派给:
开始日期:
2024-10-29
计划完成日期:
2024-11-15
% 完成:

100%

预期时间:

描述

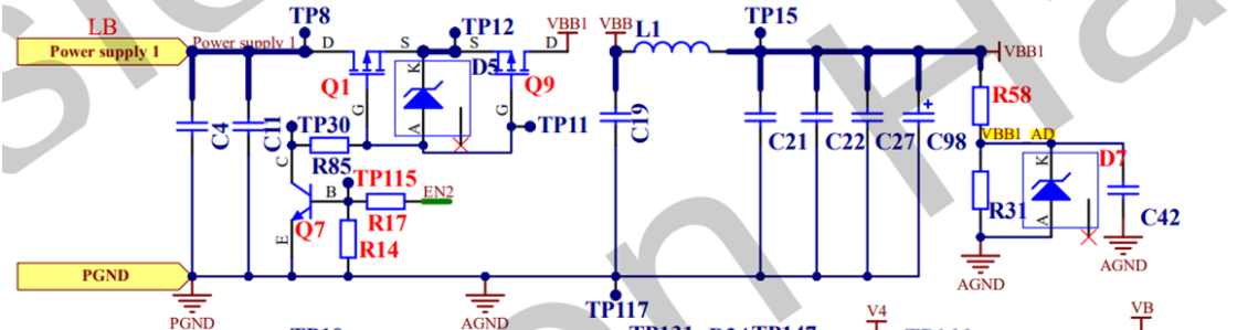
The voltage level of the LB supply terminal of the BCM (‘L/RF_Low_Beam_Ckt’) must be used
- When "voltage" >= 7V, LB on
- When "voltage" < 7V, LB off
-When LB recover from OFF to ON ,Voltage = 7.5V


文件

行为 #1

玉洁 金 更新于 超过一年 之前

  • 描述 已更新。 (差异)
行为 #2

玉洁 金 更新于 超过一年 之前

  • 描述 已更新。 (差异)
行为 #3

涛 陆 更新于 超过一年 之前

  • 主题Ford_SWER:FS_REQ0017_V1 LB Activation 变更为 Ford_SWER_0017_0001:LB Activation
行为 #4

玉洁 金 更新于 超过一年 之前

  • 描述 已更新。 (差异)
行为 #5

玉洁 金 更新于 超过一年 之前

  • 主题Ford_SWER_0017_0001:LB Activation 变更为 Ford_SWER_0017_0001:LB Activation conditions
行为 #6

斌 徐 更新于 超过一年 之前

  • 状态新建 变更为 进行中
  • 指派给涛 陆 变更为 捷 陈
  • 优先级普通 变更为 立刻

需求需确认,当前硬件端口和芯片剩余资源不支持

行为 #7

捷 陈 更新于 超过一年 之前

  • 计划完成日期2024-10-31 变更为 2024-11-15
  • 优先级立刻 变更为 紧急
  • % 完成0 变更为 50

H004硬件修正

行为 #8

捷 陈 更新于 超过一年 之前

  • 状态进行中 变更为 已解决
  • % 完成50 变更为 90

H004硬件变更,实物确认

行为 #9

斌 徐 更新于 超过一年 之前

  • 状态已解决 变更为 已关闭
行为 #10

斌 徐 更新于 超过一年 之前

  • % 完成90 变更为 100
行为

导出 Atom PDF